![]() 有和没有浪涌电流限制功率NTC热敏电阻的比较曲线 |
![]()
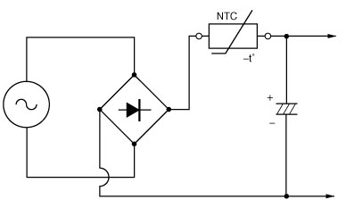
浪涌电流限制功率NTC热敏电阻
|






| 零件号 |
R25 (Ω) |
最大稳定 电流 (A) |
最大电流时的电阻值 (Ω) |
耗散因子 (mW/oC) |
热时间 常数 (秒) |
尺寸(mm) | ||||
| DMAX | 最高温度 | H | H 0 | d±1 | ||||||
| MC-MF72-3D9 | 3Ω | 4A | 0.12 | 11 | 34 | 11 | 5.5 | 13.5 | 20.5 | 7.5/5 |
| MC-MF72-5D9 | 5Ω | 3A | 0.21 | 11 | 34 | 11 | 5.5 | 13.5 | 20.5 | 7.5/5 |
| MC-MF72-8D9 | 8Ω | 2A | 0.4 | 11 | 32 | 11 | 5.5 | 13.5 | 20.5 | 7.5/5 |
| MC-MF72-10D9 | 10Ω | 2A | 0.458 | 11 | 32 | 11 | 5.5 | 13.5 | 20.5 | 7.5/5 |
| MC-MF72-16D9 | 16Ω | 1A | 0.802 | 11 | 31 | 11 | 5.5 | 13.5 | 20.5 | 7.5/5 |
| MC-MF72-22D9 | 22Ω | 1A | 0.95 | 11 | 30 | 11 | 5.5 | 13.5 | 20.5 | 7.5/5 |
| MC-MF72-33D9 | 33Ω | 1A | 1.124 | 11 | 30 | 11 | 5.5 | 13.5 | 20.5 | 7.5/5 |
| MC-MF72-50D9 | 50Ω | 1A | 1.252 | 11 | 30 | 11 | 5.5 | 13.5 | 20.5 | 7.5/5 |
| MC-MF72-80D9 | 80Ω | 0.8A | 2.01 | 11 | 30 | 11 | 5.5 | 13.5 | 20.5 | 7.5/5 |
| MC-MF72-3D11 | 3Ω | 5A | 0.1 | 13 | 43 | 13 | 5.5 | 15.5 | 22.5 | 7.5/5 |
| MC-MF72-5D11 | 5Ω | 4A | 0.156 | 13 | 45 | 13 | 5.5 | 15.5 | 22.5 | 7.5/5 |
| MC-MF72-8D11 | 8Ω | 3A | 0.255 | 14 | 47 | 13 | 5.5 | 15.5 | 22.5 | 7.5/5 |
| MC-MF72-10D11 | 10Ω | 3A | 0.275 | 14 | 47 | 13 | 5.5 | 15.5 | 22.5 | 7.5/5 |
| MC-MF72-12D11 | 12Ω | 2A | 0.462 | 14 | 48 | 13 | 5.5 | 15.5 | 22.5 | 7.5/5 |
| MC-MF72-16D11 | 16Ω | 2A | 0.47 | 14 | 50 | 13 | 5.5 | 15.5 | 22.5 | 7.5/5 |
| MC-MF72-20D11 | 20Ω | 2A | 0.512 | 15 | 52 | 13 | 5.5 | 15.5 | 22.5 | 7.5/5 |
| MC-MF72-22D11 | 22Ω | 2A | 0.563 | 15 | 52 | 13 | 5.5 | 15.5 | 22.5 | 7.5/5 |
| MC-MF72-33D11 | 33Ω | 1.5A | 0.734 | 15 | 52 | 13 | 5.5 | 15.5 | 22.5 | 7.5/5 |
| MC-MF72-50D11 | 50Ω | 1.5A | 1.021 | 15 | 52 | 13 | 5.5 | 15.5 | 22.5 | 7.5/5 |
| MC-MF72-60D11 | 60Ω | 1.5A | 1.215 | 15 | 52 | 13 | 5.5 | 15.5 | 22.5 | 7.5/5 |
| MC-MF72-1.3D13 | 1.3Ω | 7A | 0.062 | 13 | 60 | 15.5 | 6 | 17.5 | 24.5 | 7.5 |
| MC-MF72-3D13 | 3Ω | 6A | 0.092 | 14 | 60 | 15.5 | 6 | 17.5 | 24.5 | 7.5 |
| MC-MF72-5D13 | 5Ω | 5A | 0.125 | 15 | 68 | 15.5 | 6 | 17.5 | 24.5 | 7.5 |
| MC-MF72-10D13 | 10Ω | 4A | 0.206 | 15 | 65 | 15.5 | 6 | 17.5 | 24.5 | 7.5 |
| MC-MF72-15D13 | 15Ω | 3A | 0.335 | 16 | 60 | 15.5 | 6 | 17.5 | 24.5 | 7.5 |
| MC-MF72-30D13 | 30Ω | 2.5A | 0.517 | 16 | 65 | 15.5 | 6 | 17.5 | 24.5 | 7.5 |
| MC-MF72-47D13 | 47Ω | 2A | 0.81 | 17 | 65 | 15.5 | 6 | 17.5 | 24.5 | 7.5 |
| MC-MF72-1.3D15 | 1.3Ω | 8A | 0.048 | 18 | 68 | 17.5 | 6 | 19.5 | 26.5 | 10/7.5 |
| MC-MF72-1.5D15 | 1.5Ω | 8A | 0.052 | 18 | 69 | 17.5 | 6 | 19.5 | 26.5 | 10/7.5 |
| MC-MF72-3D15 | 3Ω | 7A | 0.075 | 18 | 76 | 17.5 | 6 | 19.5 | 26.5 | 10/7.5 |
| MC-MF72-5D15 | 5Ω | 6A | 0.112 | 20 | 76 | 17.5 | 6 | 19.5 | 26.5 | 10/7.5 |
| MC-MF72-8D15 | 8Ω | 5A | 0.178 | 20 | 80 | 17.5 | 6 | 19.5 | 26.5 | 10/7.5 |
| MC-MF72-10D15 | 10Ω | 5A | 0.18 | 21 | 85 | 17.5 | 6 | 19.5 | 26.5 | 10/7.5 |
| MC-MF72-15D15 | 15Ω | 4A | 0.268 | 20 | 75 | 17.5 | 6 | 19.5 | 26.5 | 10/7.5 |
| MC-MF72-30D15 | 30Ω | 3.5A | 0.438 | 18 | 75 | 17.5 | 6 | 19.5 | 26.5 | 10/7.5 |
| MC-MF72-47D15 | 47Ω | 3A | 0.68 | 21 | 86 | 17.5 | 6 | 19.5 | 26.5 | 10/7.5 |
| MC-MF72-0.7D20 | 0.7Ω | 12A | 0.018 | 25 | 89 | 22.5 | 7 | 24.5 | 31.5 | 10/7.5 |
| MC-MF72-1.3D20 | 1.3Ω | 9A | 0.037 | 24 | 88 | 22.5 | 7 | 24.5 | 31.5 | 10/7.5 |
| MC-MF72-3D20 | 3Ω | 8A | 0.055 | 24 | 88 | 22.5 | 7 | 24.5 | 31.5 | 10/7.5 |
| MC-MF72-5D20 | 5Ω | 7A | 0.087 | 23 | 87 | 22.5 | 7 | 24.5 | 31.5 | 10/7.5 |
| MC-MF72-8D20 | 8Ω | 6A | 0.142 | 25 | 105 | 22.5 | 7 | 24.5 | 31.5 | 10/7.5 |
| MC-MF72-10D20 | 10Ω | 6A | 0.162 | 24 | 102 | 22.5 | 7 | 24.5 | 31.5 | 10/7.5 |
