





| 变压器保护指南 - 选择变压器的典型浪涌电流限制器 |
|
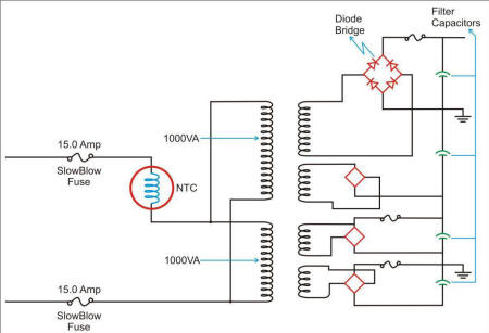
变压器
KVA
|
单相输入电压
Vac
|
连续电流
A.
|
浪涌电流
A.
|
阻抗X
(Ω)
|
电感Xl
(μH)
|
F
(HZ)
|
能源
(J) |
最小R
(Ω)
|
推荐部分 |
| 0.5 | 120 | 4.16 | 104 | 1.63 | 4328 | 60 | 23.4 | 4.9 | SL12 10006 |
| 1 | 240 | 4.16 | 104 | 3.26 | 8642 | 60 | 46.7 | 9.78 | SL22 10008 |
| 2 | 240 | 8.33 | 208 | 1.63 | 4328 | 60 | 93.62 | 4.89 | SL32 10015 |
| 3 | 240 | 12.5 | 312 | 1.09 | 2881 | 60 | 140.6 | 3.26 | AS32 5R020 |
| 5 | 480 | 10.42 | 260 | 2.6 | 6913 | 60 | 234 | 7.83 | MS32 10015 |
| 10 | 480 | 20.83 | 521 | 1.3 | 3457 | 60 | 469 | 3.92 | 2x MS32 2R025或1x MS35 5R025 |
| 变压器应用的浪涌电流限制器 |
| 部分 | UL | [R |
SSI
Max
|
Joules
Max
|
电压
最大值
|
Digikey | Mouser的 | 名创电子 |
| SL12 10006 | ÿ | 10 | 6 | 40 | 240 | 570-1078-ND | 995-SL12-10006 | 72J6734 |
| SL22 10008 | ÿ | 10 | 8 | 90 | 240 | 570-1034-ND | 995-SL22-10008 | 72J6819 |
| SL32 10015 | ÿ | 10 | 15 | 150 | 240 | 570-1058-ND | 995-SL32-10015 | 72J6844 |
| AS32 5R020 | ÿ | 5 | 20 | 300 | 240 | 570-1106-ND | 995-AS32-5R020 | |
| MS32 10015 | ÿ | 10 | 15 | 250 | 480 | 570-1014-ND | 995-MS32-10015 | 9006052 |
| MS32 2R025 | ÿ | 2 | 25 | 300 | 480 | 570-1019-ND | 995-MS32-2R025 | 72J6622 |
| MS35 5R025 | ñ | 5 | 25 | 600 | 680 | 570-1029-ND | 72J6634 |